
多功能電力儀表是專為配電系統、工礦企業、公共樓宇的電力監控系統而設計。它可以測量三相交流電路上的常用電力參數,如三相相電壓、三相線電壓、三相電流、有功、無功、視在功率、功率因數、頻率、四象限電能等。
蘇州昌辰WHC660多功能電力儀表拔采用插式端子,易于接線,一直是設計院工程師理想選擇,操作簡便,可以替換市面上絕大多數多功能電表。
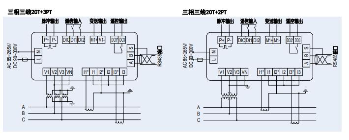
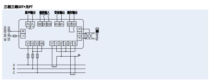
WHC660多功能電力儀表接線如下:





昌辰官方微信
版權由蘇州昌辰儀表有限公司所有
蘇ICP備16036632號-1
隔離器、液位變送器、電流變送器、壓力變送器、信號變送器、功率變送器、溫濕度變送器、溫度巡檢儀、流量積算儀、無紙記錄儀、多功能電力儀表、多功能電表、數據采集模塊